Bomba de vacío Zinisan ZYVP-040/1,1 aceite monoetapa
Marca:
ZINISANCaracterísticas
Manufacturero:
ZINISÁN
Fuente de alimentación:
3х380 V, 50 Hz
Frecuencia de rotación, rev/min:
1 500
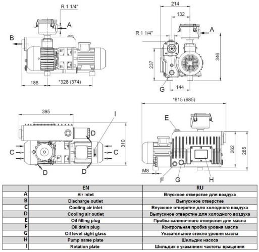
Dimensiones, mm:
320x655х395
Productividad (nom), metros cúbicos por hora:
40
Potencia, kilovatios:
1,1
Productividad, metros cúbicos por hora:
40
Ver todo
Documentación
Categorías
Favoritos
Comparación
Productos de la misma categoría
Compra también con este producto
Cambio o reembolsoReembolso o cambio por otro artículo
Entrega rápidaRecogeremos y enviaremos puntualmente
Garantía y calidadGarantía de devolución de mercancías dentro de 10 días
Pago en línea en líneaEl pago se realiza con tarjeta bancariaCaracterísticas Bomba de vacío Zinisan ZYVP-040/1,1 aceite monoetapa
Manufacturero | ZINISÁN |
Fuente de alimentación | 3х380 V, 50 Hz |
Frecuencia de rotación, rev/min | 1 500 |
Dimensiones, mm | 320x655х395 |
Productividad (nom), metros cúbicos por hora | 40 |
Potencia, kilovatios | 1,1 |
Productividad, metros cúbicos por hora | 40 |
Seguridad contra explosiones | No |
Profundidad de vacío, mBar | 2 |
El diámetro de la tubería de entrada | G 1 1/4" |
Nivel de ruido, dB | 70 |
Serie de bombas | ZYVP |
País natal | Pavo |
Tipo de bomba | aspirar |
Tipo de unidad | eléctrico |
Tipo de equipamiento | con motor |
Solicitud | evaporadores, residuos, autoclave |
Peso, kg | 54 |
Descripción Bomba de vacío Zinisan ZYVP-040/1,1 aceite monoetapa
La serie ZYVP de Zinisan es una bomba de vacío de una etapa lubricada por aceite del fabricante turco para generar un alto vacío de hasta 2 mbar.
Las bombas de vacío se utilizan ampliamente en la industria alimentaria para el envasado al vacío de productos alimenticios, el envasado por compresión al vacío de todo tipo de textiles, y se emplean en procesos de destilación, filtración y procesamiento mecánico. En la industria química - carga y descarga por vacío durante el transporte, para equipos de vacío en hospitales y consultorios dentales, así como para conformar, impregnar, almacenar, secar madera, para unidades de evaporación y en otras aplicaciones.
Las bombas rotativas de paletas llenas de aceite tienen un diseño sencillo y robusto: el eje de alta calidad y la transmisión directa garantizan la fiabilidad y una larga vida útil de la bomba con bajos costes de mantenimiento y funcionamiento.
Documentación Bomba de vacío Zinisan ZYVP-040/1,1 aceite monoetapa
Descargar instrucciones, catálogo para Bomba de vacío Zinisan ZYVP-040/1,1 aceite monoetapa
Bomba de vacío Zinisan ZYVP-040/1,1 aceite monoetapa reseñas

Ayuda en la selección
+38 067 360-71-01
Selección de sellos mecánicos
+38 095 656-37-57
Selección de bombas
Si tiene alguna pregunta al realizar el pedido, o necesita ayuda para seleccionar el producto, comuníquese con los contactos especificados.














































































































