Pompe sectionnelle sur châssis CNS 400-600 avec un moteur de 1000 kW à 1500 tr/min
Marque:
УкрнасоссервисCaractéristiques
Le diamètre du tuyau de sortie:
DN200
Fabricant:
Ukrnasosservis
Hauteur de livraison (nominale), niveau d'eau en m.:
600
Pouvoir électrique:
3x380 V, 50 Hz
Fréquence de rotation, tr/min:
1 500
Hauteur d'alimentation, m.niveau d'eau:
600
Dimensions, mm:
4395x1012x1710
Voir tout
Documentation
Catégories
Voir ma wish list
La comparison
Produits de la même catégorie
Achetez également avec ce produit
Échange ou retourNous vous retournerons ou échangerons contre un autre produit
Livraison rapideNous ramasserons et enverrons rapidement
Garantie et qualitéRetour de marchandise garanti sous 10 jours
Paiement en ligne sur le siteLe paiement s'effectue par cartes bancairesFonctionnalités Pompe sectionnelle sur châssis CNS 400-600 avec un moteur de 1000 kW à 1500 tr/min
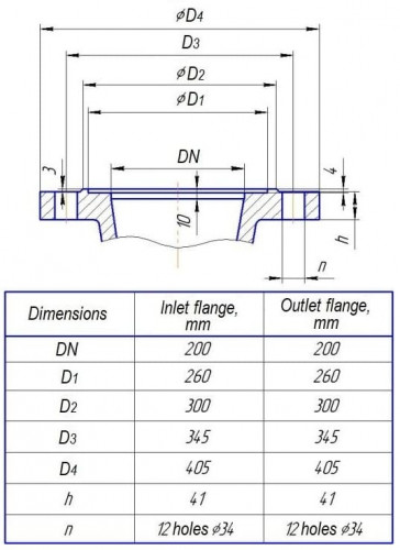
Le diamètre du tuyau de sortie | DN200 |
Fabricant | Ukrnasosservis |
Hauteur de livraison (nominale), niveau d'eau en m. | 600 |
Pouvoir électrique | 3x380 V, 50 Hz |
Fréquence de rotation, tr/min | 1 500 |
Hauteur d'alimentation, m.niveau d'eau | 600 |
Dimensions, mm | 4395x1012x1710 |
Productivité (nominale), mètres cubes par heure | 400 |
Puissance, kW | 1 000 |
Productivité, mètres cubes par heure | 400 |
Sécurité anti-explosion | Non |
Température (max), С | 45 |
Hauteur d'aspiration (NPSH), m | 5 |
Le diamètre du tuyau d'admission | DN200 |
Matériel | fonte |
Série de pompes | ЦНС |
Pays d'origine | Ukraine |
Type de pompe | en plusieurs étapes |
Type d'entraînement | électrique |
Type d'installation | horizontal |
Type d'équipement | avec moteur |
Poids, kg | 8 185 |
La description Pompe sectionnelle sur châssis CNS 400-600 avec un moteur de 1000 kW à 1500 tr/min
Les pompes centrifuges industrielles multicellulaires CNS et CNS(g) constituent une série de pompes à eau haute performance. Elles sont conçues pour le pompage d'eaux techniques dont l'indice d'hydrogène est compris entre 7 et 8,5, avec une fraction massique d'impuretés mécaniques inférieure ou égale à 0,05 %, une granulométrie inférieure ou égale à 0,2 mm et une microdureté inférieure ou égale à 1,47 hPa (147 kgf/mm²). Les pompes CNS sont conçues pour le pompage d'eau à une température maximale de +45 °C, et les pompes CNS(g) pour le pompage d'eau à une température comprise entre +45 °C et +105 °C. Ces pompes et groupes hydrauliques sont fabriqués en version industrielle standard et ne peuvent être utilisés dans des installations de production présentant des risques d'explosion ou d'incendie. Les pompes CNS sont principalement destinées aux applications nécessitant un débit important, notamment pour les réseaux d'adduction d'eau potable et d'assainissement, ainsi que pour l'industrie minière et d'extraction.
Documentation Pompe sectionnelle sur châssis CNS 400-600 avec un moteur de 1000 kW à 1500 tr/min
Télécharger les instructions, le catalogue pour Pompe sectionnelle sur châssis CNS 400-600 avec un moteur de 1000 kW à 1500 tr/min
Pompe sectionnelle sur châssis CNS 400-600 avec un moteur de 1000 kW à 1500 tr/min avis

Aide à la sélection
+38 067 360-71-01
Sélection de garnitures mécaniques
+38 095 656-37-57
Sélection de la pompe
Si vous avez des questions lors de la commande ou si vous avez besoin d'aide pour choisir un produit, veuillez contacter les contacts spécifiés.

















































































































