28 PBO pompa próżniowa smarowana olejem



Marka:
BIGIESSE0 Opinij
Charakterystyka
Średnica króćca wylotowego:
G 3/4"
Producent:
BIGIESSE
Zasilanie:
3х380 V, 50 Hz
Prędkość obrotowa, obr/min:
1 450
Wydajność (nom), m3/godz:
28
Moc, kW:
0,75
Wydajność, m3/godz:
28
Więcej
Kategorie
Ulubione
Porównanie
Produkty z tej samej kategorii
Wymiana lub zwrotZwrócimy lub wymienimy na inny produkt
Szybka dostawaNiezwłocznie odbierzemy i wyślemy
Gwarancja i jakośćGwarantowany zwrot towaru w ciągu 10 dni
Płatność on-line na stroniePłatność dokonywana jest kartami bankowymiNiniejsze ogłoszenie / reklama jest zaproszeniem do zawarcia umowy i nie stanowi oferty w myśl. art. 66, par. 1 Kodeksu Cywilnego
Cechy 28 PBO pompa próżniowa smarowana olejem
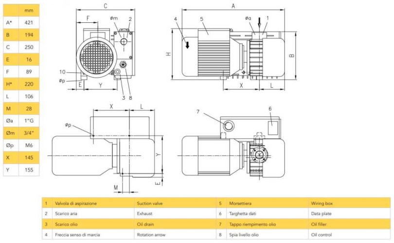
Średnica króćca wylotowego | G 3/4" |
Producent | BIGIESSE |
Zasilanie | 3х380 V, 50 Hz |
Prędkość obrotowa, obr/min | 1 450 |
Wydajność (nom), m3/godz | 28 |
Moc, kW | 0,75 |
Wydajność, m3/godz | 28 |
Zabezpieczenie przeciwwybuchowe | Nie |
Materiał części przepływowej | Żeliwo |
Głębokość próżni, mbar | 10 |
Średnica króćca wlotowego | G 1" |
Kraj pochodzenia | Włochy |
Typ Pompy | Próżniowy |
Typ napędu | Elektryczny |
Typ sprzętu | z silnikiem |
Waga, kg | 25 |
Opis 28 PBO pompa próżniowa smarowana olejem
Obrotowo-łopatkowa pompa próżniowa wypełniona olejem serii PBO może być stosowana w różnych gałęziach przemysłu, gdzie konieczne jest uzyskanie wysokiej próżni przy dużej wydajności i niskim zużyciu energii.
Korpus pompy wykonany jest z wysokiej jakości żeliwa, separator olej-powietrze wykonany jest z aluminium. Silnik jest połączony z korpusem roboczym za pomocą elastycznego sprzęgła.
Prędkość obrotowa silnika to 1450 obr/min, co pozytywnie wpływa na niezawodność zarówno łożysk silnika, jak i całego urządzenia.
28 PBO pompa próżniowa smarowana olejem recenzji

Pomóc w doborze
+48 22 390-63-48
Dobór uszczelnień mechanicznych
Dobór pomp
Dobór pomp
Jeśli masz jakiekolwiek pytania przy składaniu zamówienia lub potrzebujesz pomocy w wyborze produktu, skontaktuj się z podanymi kontaktami.











































































































