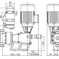
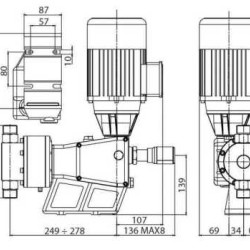
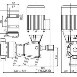
Электрические мембранные и плунжерные насосы
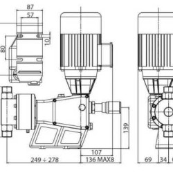
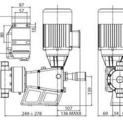
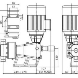
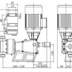
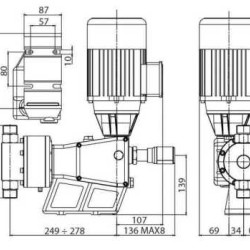
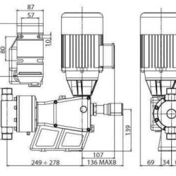
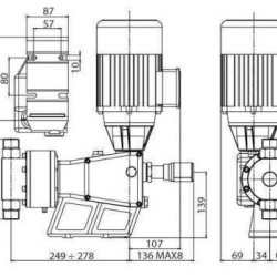
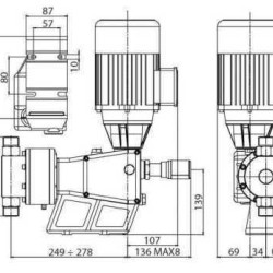
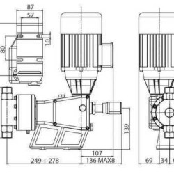
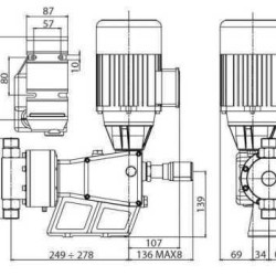
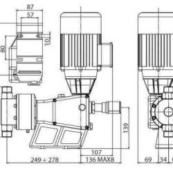
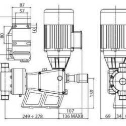
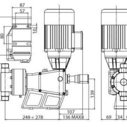
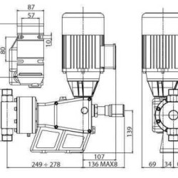
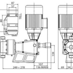
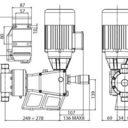
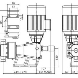
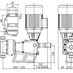
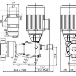
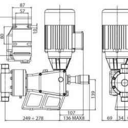
Плунжерный насос - это прибор, который используется для перекачки воды с помощью специального механизма - плунжеру. Жидкость дозируется с помощью вала, который движет плунжером и вытесняет воду в верхний клапан. Нижний всасывающий клапан не позволяет жидкости выходить из системы, а верхний шаровой клапан открыт. Благодаря такому принципу достигается максимальная производительность системы.
Электрические мембранные насосы-это приборы, которые используются для перекачки воды с помощью специальной мембраны. С помощью электрических контроллеров, такие насосы часто требуются для точного дозирования и перекачки жидкостей с повышенной вязкостью. Принцип работы максимально прост, после запуска мембрана начинает двигаться и образует в корпусе насоса нагнетательную действие. Такое воздействие и создает всасывающую силу.
И плунжерные и электрические мембранные насосы приобретают широкую популярность среди пользователей за счет своих отличных технических характеристик.
Преимущества использования мембранных и плунжерных насосов
Такие насосы используются для достижения многих целей. Они удобны, компактны и эффективны. Особо стоит выделить:
- Высокие мощности насосов и возможность работать с агрессивными жидкостями;
- Легкость в монтаже и эксплуатации;
- Возможность сохранять одинаковый напор жидкости в течение длительного времени;
- Возможность дозировать жидкость в точных количествах;
- Возможность работать с густыми и вязкими жидкостями;
- Возможность обрабатывать большие объемы жидкости в короткий промежуток времени;
- Возможность обеспечивать хорошую скорость подачи жидкости;
- Не высокую цену на устройство относительно других аналогов;
- Возможность замены деталей или интегрирования насоса в уже существующие системы снабжения;
- Возможность модификации устройств автоматики различного типа.
За счет всех этих особенностей насосы мембранные и плунжерные можно использовать во многих сферах жизни человека. Выбор должен зависеть исключительно от потребностей пользователя и его требований к проекту и системе транспортировки воды.
Перед покупкой насоса рекомендуем воспользоваться услугами наших менеджеров. За многие годы опыта мы смогли разработать совершенный алгоритм подбора насосного оборудования. Мы поможем подобрать нужную модель, учитывая все ваши потребности и требования. Таким образом новая техника будет служить долго и надежно и без перебоев.




































































































































































