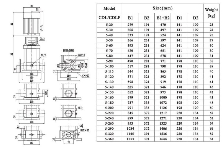
CDLF 5-130, AISI 304, Ex насос для спирта взрывозащищенный
Бренд:
BTS EngineeringХарактеристики
Производительность, м.куб/час:
8
Температура (max), С:
120
Материал проточной части:
AISI 304 нержавеющая сталь
Диаметр входного патрубка:
DN32
Диаметр выходного патрубка:
DN32
Высота подачи (max), м.вод.ст:
80.5
Материал:
AISI 304 нержавеющая сталь
Смотреть все
Документация
Категории
Избранное
Сравнение
Товары из этой же категории
С этим товаром также покупают
Обмен или возвратВернем или обменяем на другой товар
Быстрая доставкаОперативно подберем и отправим
Гарантия и качествоГарантированный возврат товара течение 10 дней
On-line оплата на сайтеОплата производится банковскими картамиХарактеристики CDLF 5-130, AISI 304, Ex насос для спирта взрывозащищенный
Производительность, м.куб/час | 8 |
Температура (max), С | 120 |
Материал проточной части | AISI 304 нержавеющая сталь |
Диаметр входного патрубка | DN32 |
Диаметр выходного патрубка | DN32 |
Высота подачи (max), м.вод.ст | 80.5 |
Материал | AISI 304 нержавеющая сталь |
Производитель | BTS Engineering |
Частота вращения, об/мин | 2 900 |
Взрывозащита | да |
Высота подачи, м.вод.ст | 80.5 |
Материал корпуса | AISI 304 нержавеющая сталь |
Мощность, кВт | 2,2 |
Степень защиты | IP55 |
Производительность (max), м.куб/час | 8 |
Серия насоса | CDLF |
Страна происхождения | Китай |
Тип насоса | многоступенчатый |
Тип привода | электрический |
Тип установки | вертикальный |
Наличие запасных частей | да |
Гарантия, месяцев | 12 |
Применение | теплиц, повышения давления, водоочистки, фонтана, парового котла, гидропоники, каустика, мойки, орошения, аэропоники, воды, горячей воды, промывки, осмоса, щелочи, водоснабжения, котла, форсунки, водоподготовки, мембран |
Аналог | Varna, Grundfos CR, Calpeda MXV, Dab KVC, Aquatica LVR, Lowara SV, VMtec PRIMA VMEV, EBARA EVM, EBARA EVMW, Ebara EVMS, Speroni RVM |
Описание CDLF 5-130, AISI 304, Ex насос для спирта взрывозащищенный
Применение: насос спирта, насос спиртосодержащих жидкостей, насос на БРУ, насос для ректификации, насос растворителя, насос для добавок, насос химический EX, насос для топлива, насос для КАС, насос для химии, насос пищевой, насос EX, насос спиртовой, насос для взрывоопасных жидкостей, насос для помещений взрывоопасных.
Насос многоступенчатый взрывозащищенный представляет собой семейство многоцелевых насосов пригодных для различных областей применения, где требуются надежные и рентабельные системы водоснабжения.
Насосы CDLF используются для перекачивания различных жидкостей, начиная от питьевой воды и заканчивая технологическими жидкостями в широком диапазоне значений температуры, расхода и напора.
Рабочее колесо, направляющие аппараты и все части, которые контактируют с жидкостью, изготавливаются из нержавеющей стали AISI 304, AISI 316 методом штампования и литья, а значит, проточный путь гладкий и предотвращает загрязнение насосной части. Торцевое уплотнение картриджного типа имеет увеличенный срок службы по сравнению с обычным и легко заменяется.
Эти насосы нашли широкое применение в системах водоснабжения, для технологических целей, в моечных установках и очистных сооружениях, в системах питания котлов и удаления конденсата, системы ультра-фильтрации, системы обратного осмоса и прочее.
Насосы этой серии комплектуются двигателем взрывозащищенного исполнения по стандарту Ex dIIBT4, что позволяет использовать их в производственных помещениях соответствующей категории взрывопожарной опасности.
Взрывозащищенное оборудование всегда имеет маркировку.
Пример маркировки: 1ExdellCT4
Описание маркировки:
1 - уровень взрывозащиты: взрывобезопасное оборудование, в котором взрывозащита обеспечивается как при нормальном режиме работы, так и при признанных вероятных повреждениях, кроме повреждений средств взрывозащиты.
Ех - знак, указывающий на соответствие оборудования требованиям ГОСТ 12.2.020.
d - вид взрывозащиты "d" - взрывонепроницаемая оболочка по ГОСТ 22782.6.
е - вид взрывозащиты "е" по ГОСТ 22782.7.
IIС - знак подгруппы электрооборудования, соответствующий категории взрывоопасных смесей, для которых оборудование является взрывозащищенным.
Т4 - знак температурной группы смесей, в которых оборудование является взрывозащищенным.
Документация CDLF 5-130, AISI 304, Ex насос для спирта взрывозащищенный
Скачать инструкцию, каталог для CDLF 5-130, AISI 304, Ex насос для спирта взрывозащищенный
CDLF 5-130, AISI 304, Ex насос для спирта взрывозащищенный отзывы

Помощь в подборе
+38 067 360-71-01
Подбор механических уплотнений
+38 095 656-37-57
Подбор насосов
Если у вас возникли вопросы при оформлении заказа, или нужна помощь в подборе товара обратитесь по указанным контактам.
















































































































