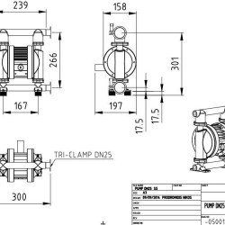
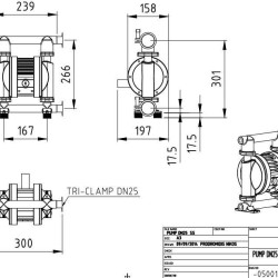
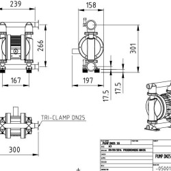
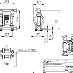
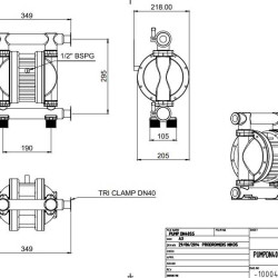
Пневматические мембранные насосы
Пневматические мембранные насосы-это приборы, которые используются для работы с вязкими и густыми жидкостями. Принцип работы устройства базируется на колебаниях мембраны от потока воздуха, подаваемого с пневматического привода. За счет мембраны жидкости перекачиваются в нужном направлении в напорную трубу. Такое инженерное решение позволяет более эффективно работать с химически агрессивными и густыми жидкостями без риска перегреть или перегрузить устройство.
Преимущества пневматических мембранных насосов.
Пользователи выделяют следующие преимущества пользования пневмо насосами:
- Мобильность;
- Удобный монтаж и простота установки;
- Безопасность и надежность;
- Возможность работы без жидкости в системе;
- Всасывание насоса;
- Адаптивность;
- Возможность перекачки жидкостей с твердыми примесями;
- Относительно не высокая цена;
- Простота, долговечность и безопасность;
Насос не тяжелый, компактный. Его можно легко переносить и монтировать в уже оборудованные системы.
Для запуска прибора достаточно подключить к нему основные рукава и шланги и зафиксировать устройство.
Единственным параметром, за которым нужно следить давление системы. Запуск прибора происходит сразу после подачи воздуха. Максимальные показатели давления можно посмотреть в технических характеристиках прибора, поскольку для каждой модели они разные.
Мембранные насосы не деформируются от холостой работы
Мембраны способны создавать вакуум и поднимать жидкость на высоту до 8 метров
Мембранные насосы могут одинаково эффективно работать с самыми разнообразными жидкостями
Мембраны устойчивы к механическим повреждениям
На фоне других похожих приборов, которые выдают похожие мощности и скорости, мембранные насосы имеют более низкую и привлекательную цену.
Приборы надежные, могут долго служить без регулярного ремонта. Детали в случае чего можно легко заменить и восстановить работу насоса.
Сферы использования пневматических мембранных насосов
Чаще всего такие приборы покупают для работы с вязкими веществами или с жидкостями, где присутствуют твердые частицы. Соответственно, мембранные насосы нашли свое применение в:
- Нефтеперерабатывающей промышленности;
- Химической промышленности;
- Пищевой промышленности;
- Фармацевтике;
- Сельском хозяйстве;
- Системах охлаждения;
- Системах отопления.
Ограничений на использование мембранных насосов фактически нет. Все зависит от потребностей пользователя и особенностей его проекта. Для того, чтобы подобрать лучшую модель насосного оборудования обращайтесь к нашим специалистам.



































































































































































