PW.4.12.1.1010 вакуумный одноступенчатый насос
Бренд:
Hydro-VacuumХарактеристики
Производительность, м.куб/час:
120
Электропитание:
3х380 V, 50 Hz
Материал вала:
AISI 420
Материал:
чугун
Производитель:
Hydro-Vacuum
Частота вращения, об/мин:
1 500
Взрывозащита:
нет
Смотреть все
Категории
Избранное
Сравнение
Товары из этой же категории
С этим товаром также покупают
Обмен или возвратВернем или обменяем на другой товар
Быстрая доставкаОперативно подберем и отправим
Гарантия и качествоГарантированный возврат товара течение 10 дней
On-line оплата на сайтеОплата производится банковскими картамиХарактеристики PW.4.12.1.1010 вакуумный одноступенчатый насос
Производительность, м.куб/час | 120 |
Электропитание | 3х380 V, 50 Hz |
Материал вала | AISI 420 |
Материал | чугун |
Производитель | Hydro-Vacuum |
Частота вращения, об/мин | 1 500 |
Взрывозащита | нет |
Материал корпуса | чугун |
Мощность, кВт | 4 |
Уплотнение | набивка типа 608 |
Материал рабочего колеса | бронза |
Производительность (max), м.куб/час | 120 |
Глубина вакуума, мБар | 146 |
Серия насоса | PW |
Страна происхождения | Польша |
Тип насоса | вакуумный |
Тип привода | электрический |
Тип установки | горизонтальный |
Тип комплектации | с двигателем |
Применение | автоклав, выпарки, выпарных аппаратов |
Аналог | Italvacuum, ВВН, Вакууммаш, Sterling, Robuschi, Pompetravaini TRM, Nitto, EVP, Elmo rietschle, Becker, Busch, DVP |
Вес, кг | 123 |
Описание PW.4.12.1.1010 вакуумный одноступенчатый насос
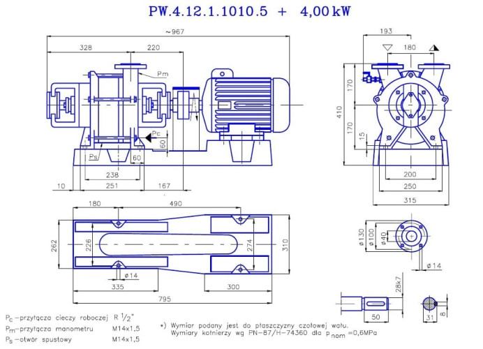
Водокольцевые вакуумные насосы серии PW1-12 – PW7-14 являются одноступенчатыми вакуумными насосами. Вакуумные насосы предназначены для всасывания и перекачки сухого газа с температурой до 150°С и насыщенные парами газы, отличающиеся тем, что их температура не превышает 100°С, с возможностью применения рабочих жидкостей с вязкостью до 60 мм2/сек и плотностью 800 - 1200 кг/м3, температура воды на выходе из насоса не должна превышать 80°С. Hydro-Vacuum производит одноступенчатые и двухступенчатые вакуумные водокольцевые насосы, серии PW. В насосах серии PW- насос и двигатель крепятся на общей опоре. Крутящий момент от двигателя передается к импеллеру через вал, установленный в подшипниках опоры и эластичную соединительную муфту. Такая конструкция делает вакуумный насос заметно длиннее и тяжелее, но зато заметно облегчает его обслуживание, когда требуется разборка насоса или замена двигателя. Кроме того, насос установлен на 2 опорах (рабочее колесо между подшипниками) что дает гораздо более длительный срок службы насосов нежели моноблока (установлен на валу двигателя или посадкой рабочего колеса)
Стандартное материальное исполнение насосов: корпус насоса, звена - чугун 250; ротор - оловянистая бронза В101; вал - сталь 2Н13 (AISI 420).
При потребности и пожеланию заказчика, материальное исполнение может быть другое. Корпуса – хромистый чугун, оловянистая бронза, углеродистая литая сталь, аустенитная литая сталь; Ротор – сфероидальный чугун, аустенитная литая сталь, углеродистая литая сталь, специальная аустенитная литая сталь. Вал – кислотоустойчивая сталь. Каждый насос может иметь комплектность с разными по мощности двигателями (кВт), при потребности заказчика подбор делаем в индивидуальном порядке.
PW.4.12.1.1010 вакуумный одноступенчатый насос отзывы

Помощь в подборе
+38 067 360-71-01
Подбор механических уплотнений
+38 095 656-37-57
Подбор насосов
Если у вас возникли вопросы при оформлении заказа, или нужна помощь в подборе товара обратитесь по указанным контактам.


















































































































