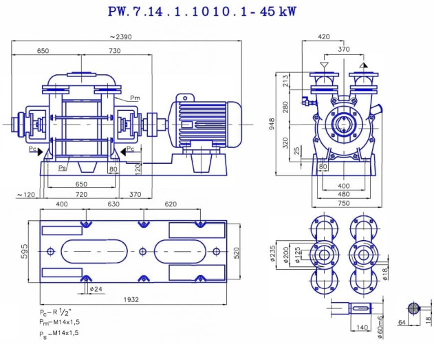
Вакуумный насос PW.7.14.1.1010.1 без двигателя, рамы и муфты
Бренд:
Hydro-VacuumХарактеристики
Производительность, м.куб/час:
1500
Материал вала:
AISI 420
Материал:
чугун
Производитель:
Hydro-Vacuum
Частота вращения, об/мин:
1 000
Взрывозащита:
нет
Материал корпуса:
чугун
Смотреть все
Категории
Избранное
Сравнение
Товары из этой же категории
С этим товаром также покупают
Обмен или возвратВернем или обменяем на другой товар
Быстрая доставкаОперативно подберем и отправим
Гарантия и качествоГарантированный возврат товара течение 10 дней
On-line оплата на сайтеОплата производится банковскими картамиХарактеристики Вакуумный насос PW.7.14.1.1010.1 без двигателя, рамы и муфты
Производительность, м.куб/час | 1500 |
Материал вала | AISI 420 |
Материал | чугун |
Производитель | Hydro-Vacuum |
Частота вращения, об/мин | 1 000 |
Взрывозащита | нет |
Материал корпуса | чугун |
Мощность, кВт | 45 |
Уплотнение | С-одинарное сальниковое уплотнение |
Материал рабочего колеса | бронза |
Производительность (max), м.куб/час | 1500 |
Глубина вакуума, мБар | 213 |
Серия насоса | PW |
Страна происхождения | Польша |
Тип насоса | вакуумный |
Тип привода | электрический |
Тип установки | горизонтальный |
Тип комплектации | без двигателя |
Вес, кг | 570 |
Описание Вакуумный насос PW.7.14.1.1010.1 без двигателя, рамы и муфты
Водокольцевые вакуумные насосы серии PW.7.14 представляют собой одноступенчатые вакуумные насосы. Они предназначены для всасывания и перекачки сухого газа с температурой до 150°С и насыщенные парами газы, отличающиеся тем, что их температура не превышает 100°С, с возможностью применения рабочих жидкостей с вязкостью до 60 мм 2 /сек и плотностью 800 – 1200 кг/м3, температура воды на выходе из насоса не должна превышать 80°С. В насосах серии PW – насос и двигатель крепятся на общей опоре. Крутящий момент от двигателя передается к импеллеру через вал, установленный в подшипниках опоры и эластичную соединительную муфту. Такая конструкция делает вакуумный насос заметно длиннее и тяжелее, но благодаря этому заметно облегчает его обслуживание, когда требуется разборка насоса или замена двигателя. Кроме того, насос установлен на двух опорах (рабочее колесо между подшипниками), что дает более длительный срок эксплуатации.
Вакуумный насос PW.7.14.1.1010.1 без двигателя, рамы и муфты отзывы

Помощь в подборе
+38 067 360-71-01
Подбор механических уплотнений
+38 095 656-37-57
Подбор насосов
Если у вас возникли вопросы при оформлении заказа, или нужна помощь в подборе товара обратитесь по указанным контактам.
















































































































