Мембранний насос-дозатор PDM-D AA 188/3,5 400/3/50 0,25
Бренд:
ETATRON D.S.Характеристики
Виробник:
ETATRON D.S.
Діаметр мембрани, мм:
115
Управління:
Аналогове (ручне)
Кількість ходів мембрани /хв.:
60
Модель:
AA
Потужність, кВт:
0,25
З'єднання:
1" Gm
Дивитись все
Документація
Вибране
Порівняння
Товари з цієї категорії
З цим товаром також купують
Обмін чи поверненняПовернемо або обміняємо на інший товар
Швидка доставкаОперативно підберемо і відправимо
Гарантія та якістьГарантоване повернення товару протягом 10 днів
On-line оплата на сайтіОплата провадиться банківськими карткамиХарактеристики Мембранний насос-дозатор PDM-D AA 188/3,5 400/3/50 0,25
Виробник | ETATRON D.S. |
Діаметр мембрани, мм | 115 |
Управління | Аналогове (ручне) |
Кількість ходів мембрани /хв. | 60 |
Модель | AA |
Потужність, кВт | 0,25 |
З'єднання | 1" Gm |
Вибухобезпека | ні |
Продуктивність, л/год | 188 |
Тиск, бар | 3.5 |
Матеріал насосної частини | AISI 316L |
Матеріал | AISI 316L |
Довжина ходу мембрани, мм | 7,9 |
Серія насоса | D |
Країна походження | Італія |
Тип насосу | мембранний моторний |
Тип приводу | електричний |
Наявність запасних частин | так |
Застосування | дозування кислот та лугів, кебоспуму, мініфома, букофоуму, гідроксиду алюмінію, дозування сиропів, дозування ферментів, дозування фруктових концентратів, дозування консервантів, дозування ароматизаторів, дозування дріжджів, дозування добавок для глазурі, дозування води, дозування есенцій, антиспуміна, бревіол, азотної кислоти, формаліну |
Аналог | FWT, Seko, ASeko, Injecta, Emec, AquaViva, Descon trol S |
Опис Мембранний насос-дозатор PDM-D AA 188/3,5 400/3/50 0,25
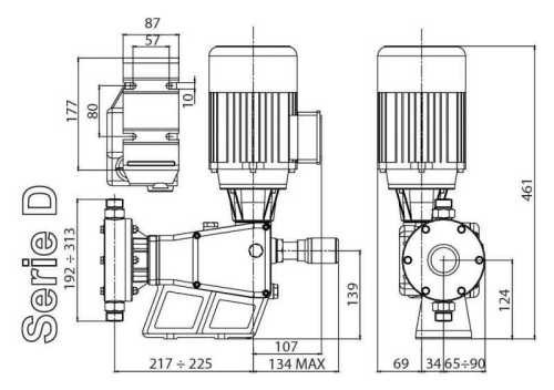
Мембранні (або діафрагменні) хімічні дозуючі насоси серії D;
Конфігурація AA — головка насоса — н/ст AISI 316L, мембрана — PTFE (Тефлон);
За запитом: AI, AP, BI, SA, SI;
Продуктивність: 56÷574 л/год, тиск: 2÷12 бар;
Насоси відповідають нормам CЕ;
Корпус насоса виготовлений із литого алюмінію, захищеного епоксидною, протикислотною фарбою;
Клас захисту: IP55, ступінь ізоляції: F;
Продуктивність насосів регулюється за допомогою мікрометричної ручки, яка управляє довжиною ходу пістона;
Максимальна висота забору: 3 метри;
Дозуючий насос управляється вертикально розташованим двигуном;
Коробка передач працює за принципом холостого ходу (повернення пістона здійснюється за допомогою пружини повернення);
Стандартний двигун: 0.18 кВт, 0.37 кВт, 230/400В, 3 фази, 50 Гц;
Інші типи двигунів виготовляють за додатковим замовленням.
Документація Мембранний насос-дозатор PDM-D AA 188/3,5 400/3/50 0,25
Скачати інструкцію, каталог для Мембранний насос-дозатор PDM-D AA 188/3,5 400/3/50 0,25
Мембранний насос-дозатор PDM-D AA 188/3,5 400/3/50 0,25 відгуків

Допомога у підборі
+38 067 360-71-01
Підбір механічних ущільнень
+38 095 656-37-57
Підбір насосів
Якщо у вас виникли питання при оформленні замовлення, або потрібна допомога у підборі товару, зверніться за вказаними контактами.











































































































