Плунжерний насос-дозатор PDM-P BA 158/9 400/3/50 0,25
Бренд:
ETATRON D.S.Характеристики
Виробник:
ETATRON D.S.
Управління:
Аналогове (ручне)
Модель:
BA
Потужність, кВт:
0,25
З'єднання:
3/4" Gm
Продуктивність, л/год:
158
Кількість ходів плунжера /хв.:
103
Дивитись все
Документація
Вибране
Порівняння
Товари з цієї категорії
З цим товаром також купують
Обмін чи поверненняПовернемо або обміняємо на інший товар
Швидка доставкаОперативно підберемо і відправимо
Гарантія та якістьГарантоване повернення товару протягом 10 днів
On-line оплата на сайтіОплата провадиться банківськими карткамиХарактеристики Плунжерний насос-дозатор PDM-P BA 158/9 400/3/50 0,25
Виробник | ETATRON D.S. |
Управління | Аналогове (ручне) |
Модель | BA |
Потужність, кВт | 0,25 |
З'єднання | 3/4" Gm |
Продуктивність, л/год | 158 |
Кількість ходів плунжера /хв. | 103 |
Тиск, бар | 9 |
Матеріал насосної частини | ПВХ |
Довжина ходу плунжера, мм | 14,5 |
Діаметр плунжера, мм | 48 |
Матеріал | ПВХ |
Серія насоса | P |
Країна походження | Італія |
Тип насосу | плунжерний моторний |
Тип приводу | електричний |
Наявність запасних частин | так |
Аналог | Descon trol S, AquaViva, Emec, Injecta, ASeko, Seko, FWT |
Опис Плунжерний насос-дозатор PDM-P BA 158/9 400/3/50 0,25
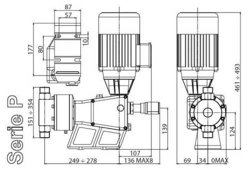
Плунжерні хімічні дозувальні насоси серії P;
Продуктивність: 14÷1027 л/год, тиск: 3.5÷25 бар;
Конфігурація BA - головка насоса - ПВХ, плунжер - Кераміка;
Насоси відповідають нормам CE;
Корпус насоса виготовлено з литого алюмінію, захищеного епоксидною, протикислотною фарбою;
Клас захисту: IP55, ступінь ізоляції: F;
Продуктивність насосів регулюється за допомогою мікрометричної ручки, яка управляє довжиною ходу пістона;
Максимальна висота забору: 3 метри;
Плунжерний насос управляється вертикально розташованим двигуном;
Коробка передач працює за принципом холостого ходу (повернення пістона здійснюється за допомогою поворотної пружини);
Стандартний двигун: 0.25 кВт - 0.75 кВт, 230/400В, 3 фази, 50 Гц;
Інші типи двигунів за додатковим замовленням.
Документація Плунжерний насос-дозатор PDM-P BA 158/9 400/3/50 0,25
Скачати інструкцію, каталог для Плунжерний насос-дозатор PDM-P BA 158/9 400/3/50 0,25
Плунжерний насос-дозатор PDM-P BA 158/9 400/3/50 0,25 відгуків

Допомога у підборі
+38 067 360-71-01
Підбір механічних ущільнень
+38 095 656-37-57
Підбір насосів
Якщо у вас виникли питання при оформленні замовлення, або потрібна допомога у підборі товару, зверніться за вказаними контактами.











































































































