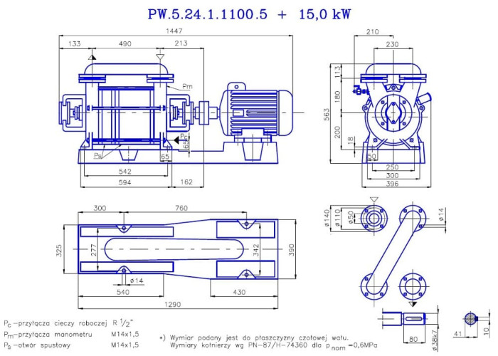
PW.5.24.1.1100 вакуумний двоступінчастий насос
Бренд:
Hydro-VacuumХарактеристики
Виробник:
Hydro-Vacuum
Матеріал корпусу:
чавун
Матеріал робочого колеса:
бронза
Електроживлення:
3х380 V, 50 Hz
Частота обертання, об/хв:
1 500
Потужність, кВт:
15
Продуктивність, м.куб / год:
510
Дивитись все
Категорії
Вибране
Порівняння
Товари з цієї категорії
З цим товаром також купують
Обмін чи поверненняПовернемо або обміняємо на інший товар
Швидка доставкаОперативно підберемо і відправимо
Гарантія та якістьГарантоване повернення товару протягом 10 днів
On-line оплата на сайтіОплата провадиться банківськими карткамиХарактеристики PW.5.24.1.1100 вакуумний двоступінчастий насос
Виробник | Hydro-Vacuum |
Матеріал корпусу | чавун |
Матеріал робочого колеса | бронза |
Електроживлення | 3х380 V, 50 Hz |
Частота обертання, об/хв | 1 500 |
Потужність, кВт | 15 |
Продуктивність, м.куб / год | 510 |
Вибухобезпека | ні |
Ущільнення | Mechanical Seal |
Продуктивність (max), м.куб / год | 510 |
Матеріал вала | AISI 420 |
Глибина вакууму, мБар | 33 |
Матеріал | чавун |
Серія насоса | PW |
Країна походження | Польща |
Тип насосу | вакуумний |
Тип приводу | електричний |
Тип установки | горизонтальний |
Тип комплектації | з двигуном |
Застосування | випарних апаратів, випарки, автоклав |
Аналог | ВВН, Вакууммаш, Sterling, Robuschi, Pompetravaini TRM, Nitto, Italvacuum, EVP, Elmo rietschle, DVP, Busch, Becker |
Опис PW.5.24.1.1100 вакуумний двоступінчастий насос
Водокільцеві вакуумні насоси серії PW1-21 – PW5-24 є двоступеневими вакуумними насосами, головною особливістю яких є на відміну від одноступінчатих насосів, досягнення більш глибокого вакууму (33-40 мбар абс.). Максимальна продуктивність і ефективність в діапазоні від 100 - 200 мбар.абс. Ці насоси мають вбудований антикавітаційний клапан між ступенями. Вони надійні, прості в обслуговуванні, з їх допомогою можна відкачувати практично будь-яку газове середовище або пар. Вакуумні насоси призначені для всмоктування і перекачування сухого газу з температурою до 150°С і насичені парами гази, що відрізняються тим, що їх температура не перевищує 100°С, з можливістю застосування робочих рідин з в'язкістю до 60 мм2/сек і щільністю 800 - 1200 кг/м3, температура води на виході з насоса не повинна перевищувати 80°С. Hydro-Vacuum виробляє одноступінчасті і двоступінчасті вакуумні водокільцеві насоси, серії PW. У насосах серії PW - насос і двигун кріпляться на загальній опорі. Крутящий момент від дви
PW.5.24.1.1100 вакуумний двоступінчастий насос відгуків

Допомога у підборі
+38 067 360-71-01
Підбір механічних ущільнень
+38 095 656-37-57
Підбір насосів
Якщо у вас виникли питання при оформленні замовлення, або потрібна допомога у підборі товару, зверніться за вказаними контактами.

















































































































