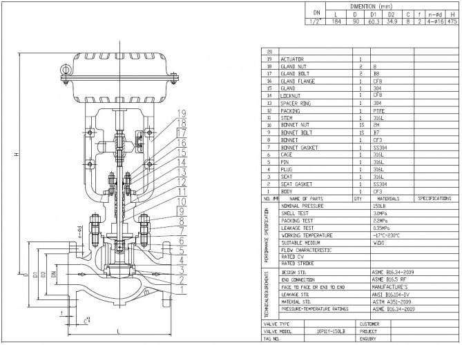
1/2 дюйми Регулюючий клапан для пари з пневматичним приводом 10Р11Y-1/2-150LB-Z-L112C-C (корпус CF3, сідло 316L) з позиціонером YT-1000, вхід 4-20мА
Бренд:
BTS EngineeringХарактеристики
Виробник:
BTS Engineering
Матеріал корпусу:
AISI 304L
Керуючий сигнал, мА:
4-20
Робоча температура:
–17°C +230°C
Вибухобезпека:
ні
Номінальний тиск, МПа:
1
Тип з'єднання:
фланцеве
Дивитись все
Документація
Вибране
Порівняння
Товари з цієї категорії
Обмін чи поверненняПовернемо або обміняємо на інший товар
Швидка доставкаОперативно підберемо і відправимо
Гарантія та якістьГарантоване повернення товару протягом 10 днів
On-line оплата на сайтіОплата провадиться банківськими карткамиХарактеристики 1/2 дюйми Регулюючий клапан для пари з пневматичним приводом 10Р11Y-1/2-150LB-Z-L112C-C (корпус CF3, сідло 316L) з позиціонером YT-1000, вхід 4-20мА
Виробник | BTS Engineering |
Матеріал корпусу | AISI 304L |
Керуючий сигнал, мА | 4-20 |
Робоча температура | –17°C +230°C |
Вибухобезпека | ні |
Номінальний тиск, МПа | 1 |
Тип з'єднання | фланцеве |
Умовний прохід, DN | 1/2" |
Спосіб дії | нормально закритий |
Країна походження | Китай |
Робоче середовище | вода, повітря, пара, рідина, густі і в'язкі рідини, неагресивне середовище |
Опис 1/2 дюйми Регулюючий клапан для пари з пневматичним приводом 10Р11Y-1/2-150LB-Z-L112C-C (корпус CF3, сідло 316L) з позиціонером YT-1000, вхід 4-20мА
Регулюючий клапан з пневмоприводом і актуатором, керування 4-20 мА запірний, односідельний, двоходовий прямохідний регулюючий клапан. РА – лінійний пневматичний привід мембранного типу. Привід має два виконання: DA - прямої дії, нормально відкритий (тиск повітря закриває клапан) та RA - зворотної дії, нормально закритий (тиск повітря відкриває клапан). Широкий діапазон застосування дозволяє використовувати цей клапан з найбільш поширеними технологічними рідинами, такі як вода, перегріта вода, пара, повітря, гази та інші неагресивні рідини.
ОСНОВНІ ВЛАСТИВОСТІ:
Односідельний, двоходовий, прямої або зворотної дії.
Переустановка приводу не вимагає демонтажу.
Клапана із трубопроводу.
Документація 1/2 дюйми Регулюючий клапан для пари з пневматичним приводом 10Р11Y-1/2-150LB-Z-L112C-C (корпус CF3, сідло 316L) з позиціонером YT-1000, вхід 4-20мА
Скачати інструкцію, каталог для 1/2 дюйми Регулюючий клапан для пари з пневматичним приводом 10Р11Y-1/2-150LB-Z-L112C-C (корпус CF3, сідло 316L) з позиціонером YT-1000, вхід 4-20мА
Відео 1/2 дюйми Регулюючий клапан для пари з пневматичним приводом 10Р11Y-1/2-150LB-Z-L112C-C (корпус CF3, сідло 316L) з позиціонером YT-1000, вхід 4-20мА
1/2 дюйми Регулюючий клапан для пари з пневматичним приводом 10Р11Y-1/2-150LB-Z-L112C-C (корпус CF3, сідло 316L) з позиціонером YT-1000, вхід 4-20мА відгуків

Допомога у підборі
+38 067 360-71-01
Підбір механічних ущільнень
+38 095 656-37-57
Підбір насосів
Якщо у вас виникли питання при оформленні замовлення, або потрібна допомога у підборі товару, зверніться за вказаними контактами.













































































































