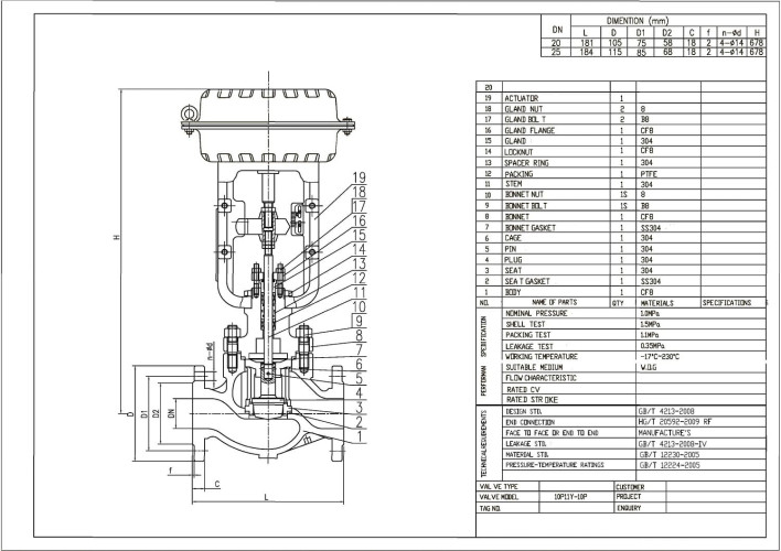
DN20 Регулюючий клапан з пневматичним приводом 10Р11Y-DNx2016Z-L112C-C (корпус CF8, сідло SS304) з позиціонером YT-1000, вхід 4-20мА, Ex
Бренд:
BTS EngineeringХарактеристики
Виробник:
BTS Engineering
Матеріал корпусу:
AISI 304 нержавіюча сталь
Керуючий сигнал, мА:
4-20
Робоча температура:
–17°C +230°C
Вибухобезпека:
так
Номінальний тиск, МПа:
1,6
Тип з'єднання:
фланцеве
Дивитись все
Документація
Вибране
Порівняння
Товари з цієї категорії
Обмін чи поверненняПовернемо або обміняємо на інший товар
Швидка доставкаОперативно підберемо і відправимо
Гарантія та якістьГарантоване повернення товару протягом 10 днів
On-line оплата на сайтіОплата провадиться банківськими карткамиХарактеристики DN20 Регулюючий клапан з пневматичним приводом 10Р11Y-DNx2016Z-L112C-C (корпус CF8, сідло SS304) з позиціонером YT-1000, вхід 4-20мА, Ex
Виробник | BTS Engineering |
Матеріал корпусу | AISI 304 нержавіюча сталь |
Керуючий сигнал, мА | 4-20 |
Робоча температура | –17°C +230°C |
Вибухобезпека | так |
Номінальний тиск, МПа | 1,6 |
Тип з'єднання | фланцеве |
Умовний прохід, DN | 20 |
Спосіб дії | нормально закритий |
Країна походження | Китай |
Робоче середовище | вода, повітря, пара, рідина, густі і в'язкі рідини, неагресивне середовище |
Опис DN20 Регулюючий клапан з пневматичним приводом 10Р11Y-DNx2016Z-L112C-C (корпус CF8, сідло SS304) з позиціонером YT-1000, вхід 4-20мА, Ex
Регулюючий клапан з пневмоприводом і актуатором, керування 4-20 мА запірний, односідельний, двоходовий прямохідний регулюючий клапан. РА – лінійний пневматичний привід мембранного типу. Привід має два виконання: DA - прямої дії, нормально відкритий (тиск повітря закриває клапан) та RA - зворотної дії, нормально закритий (тиск повітря відкриває клапан). Широкий діапазон застосування дозволяє використовувати цей клапан з найбільш поширеними технологічними рідинами, такі як вода, перегріта вода, пара, повітря, гази та інші неагресивні рідини.
ОСНОВНІ ВЛАСТИВОСТІ:
Односідельний, двоходовий, прямої або зворотної дії.
Переустановка приводу не вимагає демонтажу.
Клапана із трубопроводу.
Документація DN20 Регулюючий клапан з пневматичним приводом 10Р11Y-DNx2016Z-L112C-C (корпус CF8, сідло SS304) з позиціонером YT-1000, вхід 4-20мА, Ex
Скачати інструкцію, каталог для DN20 Регулюючий клапан з пневматичним приводом 10Р11Y-DNx2016Z-L112C-C (корпус CF8, сідло SS304) з позиціонером YT-1000, вхід 4-20мА, Ex
Відео DN20 Регулюючий клапан з пневматичним приводом 10Р11Y-DNx2016Z-L112C-C (корпус CF8, сідло SS304) з позиціонером YT-1000, вхід 4-20мА, Ex
DN20 Регулюючий клапан з пневматичним приводом 10Р11Y-DNx2016Z-L112C-C (корпус CF8, сідло SS304) з позиціонером YT-1000, вхід 4-20мА, Ex відгуків

Допомога у підборі
+38 067 360-71-01
Підбір механічних ущільнень
+38 095 656-37-57
Підбір насосів
Якщо у вас виникли питання при оформленні замовлення, або потрібна допомога у підборі товару, зверніться за вказаними контактами.





































































































































